Вакуумный дегазатор трансформаторного масла ВД-901-2
Вакуумный дегазатор предназначен для термовакуумной, центробежной и фильтрационной обработки трансформаторного масла с целью его осушки, дегазации и очистки от механических примесей при эксплуатации, ремонте и проведении регламентных работ электропогружного и наземного оборудования.
Режимы работы
- Дегазация масла с нагревом, вакуумированием и удалением механических примесей фильтрами предварительной и тонкой очистки (без центробежной очистки, при небольшом содержании механических примесей и воды ).
- Дегазация масла с нагревом, вакуумированием и удалением механических примесей и нерастворенной воды центробежным очистителем, а также фильтрами предварительной и тонкой очистки.
- Нагрев и очистка масла от механических примесей и нерастворенной воды центробежным очистителем и фильтрами предварительной и тонкой очистки (применяется при отсутствии необходимости дегазации масла).
- Циркуляционная очистка масла от механических примесей и нерастворенной воды центробежным очистителем (применяется при значительном содержании механических примесей и воды для предварительной очистки масла перед дегазацией).
- Непрерывный контроль параметров и отключение дегазатора при выходе их из заданных пределов (при отсутствии расхода, превышении температуры, давления, уровня масла в дегазационной камере и нагревателе масла, загрязнённости фильтроэлементов).
ТЕХНИЧЕСКИЕ ХАРАКТЕРИСТИКИ
| Эксплуатационные характеристики дегазатора | |||
|---|---|---|---|
| 1 | Производительность в режиме дегазации-осушки масла | м3/ч | до 2 |
| 2 | Производительность при перекачке с нагревом и очисткой от мехпримесей | м3/ч | до 3 |
| 3 | Давление на выходе | бар | до 3,0 |
| 4 | Рабочий уровень вакуума в дегазационной камере | мм рт. ст. | 0,5 - 2 |
| 5 | Рабочая температура масла при дегазации | °C | 60 |
| 6 | Производительность вакуумного насоса | м3/ч | 250 |
| 7 | Частота вращения ротора центрифуги | об/мин | 8000 |
| Допустимые показатели масла до обработки | |||
| 8 | Содержание влаги в масле (при наличии центробежного очистителя) | г/т (%) | до 10 000 (1) |
| 9 | Содержание влаги в масле (при отсутствии центробежного очистителя) | г/т (%) | до 50 (0,005) |
| 10 | Содержание газов в масле | % | 10 |
| 11 | Содержание механических примесей | г/т (кл.чист.) | до 640 (17) |
| Показатели масла после обработки за один проход | |||
| 12 | Содержание влаги в масле, не более | г/т (%) | 5 (0,0005) |
| 13 | Содержание газов в масле | % | 0,1 |
| 14 | Содержание механических примесей, не более | г/т (класс чистоты) | 2,5 (9) |
| 15 | Тонкость очистки от мехпримесей | мкм | 5 |
| Параметры энергопотребления | |||
| 16 | Мощность вакуумного насоса | кВт | 5,5 |
| 17 | Мощность герметичного насоса | кВт | 4 |
| 18 | Мощность шестерённого насоса | кВт | 0,75 |
| 19 | Мощность электропривода центрифуги | кВт | 4,0 |
| 20 | Мощность нагревателя масла | кВт | 40 |
| 21 | Удельная поверхностная мощность нагревателей | Вт | 0,95 |
| 22 | Потребляемая мощность дегазатора, не более | кВт | 54 |
| 23 | Напряжение трехфазной сети 50 Гц | В | 380±10% |
| Диаметры входных-выходных патрубков | |||
| 24 | Резьба М42х2 (ГОСТ 13955-74) на входе | Ду | 25 |
| 25 | Резьба М33х2 (ГОСТ 13955-74) на выходе | Ду | 20 |
| Комплектация | |||
| 26 | Вакуумный дегазатор трансформаторного масла ВД-901-2 | шт. | 1 |
| 27 | Рукава, всасывающий и напорный | шт. | 2 |
| 28 | Комплект запасных частей и принадлежностей центрифуги | шт. | 1 |
| 29 | Паспорт | экз. | 1 |
| 30 | Руководство по эксплуатации | экз. | 1 |
| Массогабаритные показатели | |||
| 31 | Габаритные размеры оборудования, не менее | ДхШхВ, мм | 2267х1272х1980 |
| 32 | Масса сухая / заправленного маслом | кг | 1200/1500 |
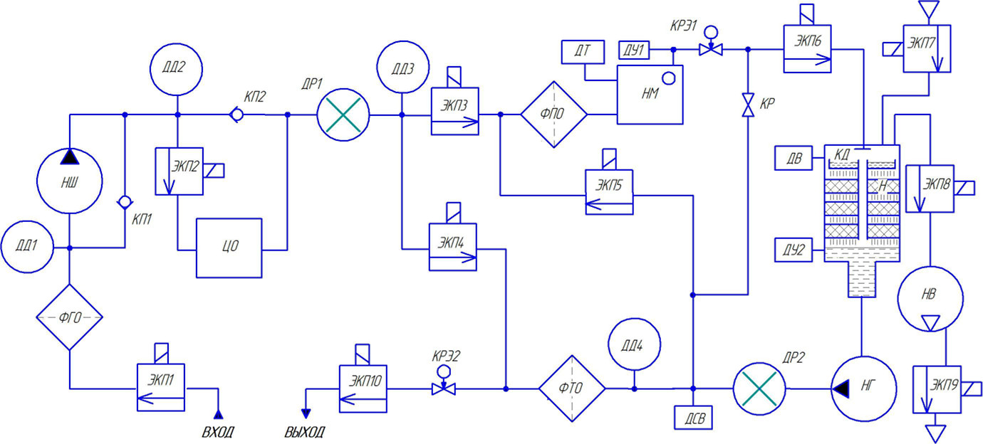
Гидравлическая схема

ЭКП1-ЭКП10 - электромагнитные клапаны; ФГО - фильтр грубой очистки; ФПО - фильтр предварительной очистки; ФТО - фильтр тонкой очистки; ДД1-ДД4 - датчики давления; КР - кран шаровый; КРЭ1-КРЭ2 - краны с электроприводом; НШ - насос шестерённый; НВ - насос вакуумный; НГ - насос герметичный; ЦО - центробежный очиститель; ДР1, ДР2 - датчики расхода; ДВ - датчик вакуума; НМ - нагреватель масла; КД - камера дегазационная; ДУ1, ДУ2 - датчики уровня; ДСВ - датчик содержания влаги в масле; ДТ - датчик температуры; Н - наполнитель с развитой поверхностью; КП1, КП2 - клапаны перепускные.
Основные отличия дегазатора ВД-901-2 от аналогов
- Простота и удобство эксплуатации за счёт компьютерного управления с сенсорного дисплея и автоматизации режимов работы
- Встроенный центробежный очиститель позволяет обрабатывать масла с высокой начальной загрязнённостью (до 17 класса по ГОСТ17216-2001) и обводнённостью (до 1 % по массе и более).
- Непрерывный контроль влагосодержания даёт возможность устанавливать режимы работы, обеспечивающие наилучшее качество обработки масла.
- Герметичный насос с двойным торцевым уплотнением гарантирует исключение попадания воздуха в уже отдегазированное масло и обеспечивает безкавитационный режим работы при откачке масла из дегазационной камеры, что повышает его ресурс и надежность.
- Наличие маслоотделителя вакуумного насоса позволяет эксплуатировать дегазатор в закрытом помещении.