Консервация теплоэнергетического оборудования
|
Исследования показывают, что при высокой относительной влажности (ОВ) 60-100%, скорость коррозии в 100-2000 раз больше, чем при более низких показателях влажности (30-50%). При высокой ОВ электрическое сопротивление изоляции в кабелях, электропроводке снижается почти в миллион раз, а также возможна порча и накопление большого количества влаги при хранении трансформаторных масел. Осушители воздуха удаляют влагу из воздуха, предотвращая коррозию и вызванные влажностью повреждения электронного и электрического оборудования. Это гарантирует надежную эксплуатацию с меньшим количеством поломок и более низкими эксплуатационными издержками, что позволяет максимально увеличить коэффициент технической готовности станции.
|
|
Осушители воздуха позволяют ● избежать вызванных влажностью повреждений; ● снизить эксплуатационные расходы; ● увеличить коэффициент технической готовности станции; ● гарантировать прекращение процесса коррозии. |
![]() |
Системе сухого воздуха, безусловно, принадлежит первое место в мире по борьбе с коррозией, которая в то же время гарантирует полную защиту энергетического оборудования от коррозии при низкой стоимости. Метод позволяет осуществлять свободный доступ ко всем компонентам, находящимся на консервации, а простое измерение относительной влажности подтверждает поддержание нужного ее уровня. Метод настолько прост, что не требуется специального обучения операторов. Превосходство этой технологии очевидно: ● Предохраняет от коррозии во время строительства, вывода из эксплуатации и постановки на консервацию; ● Обеспечивает лучшую подготовку к покрытию; ● Улучшает режимы обслуживания и поддержания нужной среды; ● Экономически эффективна; ● Экологически безопасна. |
Существующие способы консервации подразделяются на “мокрый” и “сухой”. “Мокрый” способ заключается в заполнении консервируемого объема специальным раствором. Данный способ может быть использован только для котлов, парогенераторов и т.п., но непригоден для турбин. Методы консервации подогретым и осушенным воздухом основаны на способности воздуха при относительной влажности меньше 100%, поглощать влагу, при этом уменьшается влажность внутри оборудования до уровня, при котором коррозия практически прекращается (относительная влажность меньше 45%). Следует отметить, что данные методы имеют принципиальные отличия в способе снижения относительной влажности.
|
Технические предложения по консервации энергетического оборудования осушенным воздухом: |
![]() |
Нагрев воздуха снижает относительную влажность воздуха. Недостатком этого способа является то, что влагосодержание воздуха остается постоянным. Двигаясь через турбину, воздух охлаждается, вследствие чего его относительная влажность повышается. При недостаточном расходе подогретого воздуха может происходить конденсация влаги внутри турбины. Поэтому консервация турбин подогретым воздухом может проводиться только на турбинах малой мощности и при достаточно больших расходах воздуха. Этот способ получения горячего воздуха сопровождается большими затратами электроэнергии (при использовании ТЭН).
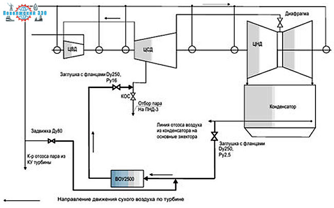
Консервация оборудования осушенным воздухом заключается в том, что воздух до поступления в турбину проходит через осушительную установку, в которой удаляется влага, содержащаяся в нем.
Для консервации турбин осушенным воздухом специально разработаны и выпускаются воздухоосушительные установки (ВОУ) холодильного типа.
| ВОУ400 | ВОУ800 | ВОУ1000 | ВОУ1500 | ВОУ2500 | ВОУ3000 | |
| Рабочий диапазон влажности воздуха, % | 35 - 98 | |||||
| Рабочий диапазон температур, °C | 3 - 32 | 17 - 32 | ||||
| Расход воздуха, м3/час | 440 | 830 | 1000 | 1500 | 2500 | 3000 |
| Напряжение питания, В | 230 | 230 | 230 | 380 | ||
| Потребляемая мощность, кВт | 1,3 | 1,6 | 2,4 | 4,5 | 6,7 | 9,0 |
| Вес, кг | 75 | 86 | 95 | 200 | 250 | 300 |
| Влагоудаление при 30 °С / 80%, л/сут | 39 | 51,6 | 79 | 156 | 208 | 249 |
| Типы турбин, для которых используются ВОУ | ПТ-12, Р-50, Р-100, Р-12 | К-50, ПТ-25 | Т-50, К-100 | ПТ-60, ПТ-80 | Т-100, ПТ-135, К-200, Т-180 | К-300, Т-25 |
|
Производительность ВОУ выбирается в зависимости от объема консервируемого оборудования и обеспечивает постоянную циркуляцию осушенного воздуха с влажностью не выше 40% в замкнутом объеме консервируемого оборудования. Разработанные и внедренные замкнутые схемы консервации турбоустановок позволяют быстро осушить оборудование и надежно защитить его от атмосферной коррозии.
В комплект ВОУ входят высоконапорный центробежный вентилятор и присоединительные шланги, соединительные патрубки, переносной электронный термогигрометр.
|
||


