Мобильная маслосборная установка ММСУ
Установка предназначена для сервисного обслуживания систем маслообеспечения газоперекачивающих агрегатов (ГПА). С помощью установки выполняются следующие операции:
- прием масла из маслобаков ГПА в собственные емкости установки;
- транспортирование масла от ГПА до блока очистки масла или на склад ГСМ;
- слив масла из установки в емкости блока системы очистки или в емкости склада ГСМ.
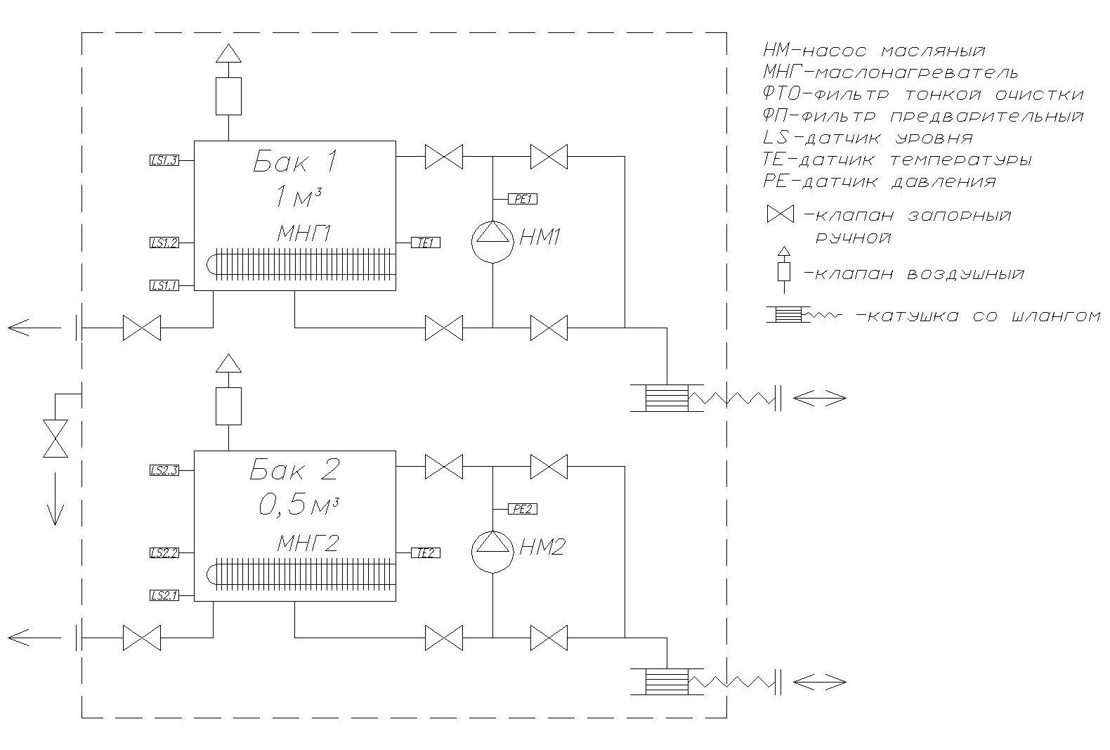
Технологическая часть установки смонтирована в теплоизолированном контейнере, установленном на двухосном автомобильном прицепе. Гидравлическая система установки состоит из двух обособленных маслосборных блоков (МСБ), что позволяет одновременно работать с двумя различными типами масел. Все элементы установки, контактирующие с маслом изготовлены из коррозионностойких материалов.
Маслосборный блок состоит из следующих элементов:
- Бак (бак 1 – 1м3, бак 2 – 0,5м3);
- Маслонагреватель встроенный в маслобак;
- Масляный насос;
- Система маслопроводов с запорной арматурой.
- Для перекачивания масел предусмотрены электронасосы шестеренного типа производительностью 2 м3/ч.
Подключение к системе маслообеспечения объекта производится при помощи гибких шлангов, размещенных на инерционных катушках.
Конструкция присоединительных частей обеспечивает быстрое присоединение и отсоединение заправочных шлангов, а также исключает протечки масел во время подключения и работы.
Контрольно-измерительные приборы.
Система управления и автоматики реализована на базе управляющего устройства с напряжением 24 В.
Для контроля и регулирования режимов работы оборудования установлены следующие контрольно-измерительные приборы:
- терморегулятор с датчиком температуры - для контроля и регулирования температуры масла;
- преобразователь давления – для контроля давления масла на выходе из насоса;
- датчик уровня масла – защита от перелива масла;
- датчик уровня масла – защита от «сухого» хода масляного насоса;
- датчик уровня масла – блокировка работы маслонагревателя при недостаточном уровне масла.
Технические характеристики установки
| Показатель | Значение |
|---|---|
| Тип перекачиваемой среды | ТП-22С, МС-8П |
| Вязкость перекачиваемой среды | до 500 сСт |
| Установленная мощность установки | 24 кВт |
| Параметры электропитания | 380В, 50Гц, 3фазы+N+E |
| Количество маслосборных блоков (МСБ) | 2 |
| Объем бака МСБ | 500л, 1000л |
| Мощность маслонагревателя одного МСБ | 10 кВт |
| Производительность маслонасоса одного МСБ | 2 м3/ч |
| Подключение маслопроводов | Быстроразъемное соединение с отсечным клапаном Ду20 |
| Характеристики прицепа | |
| Полная масса, не более кг | 3500 |
| Количество осей/колес | 2/4 |
| Тормозная система рабочая | Механическая инерционная |
| Тормозная система стояночная | Ручная |
| Сцепное устройство | Петля/шар |
| Электрооборудование | 24 В |
| Комплектация | Колесо опорное - 1 шт. Стойка опорная - 4шт. Колесо запасное с кронштейном |
| Размеры установки | 4700х2300х2250 |
Комплект поставки
Установка в сборе;
Кабель силовой с кабельной вилкой L=30 м;
Кабель заземления L=30 м;
Барабан для хранения кабеля;
Комплект огнетушителей;
Устройство упорное автомобильное – 2 шт.;
Комплект технической документации
Схема установки
